

Pagamenti sicuri
Spedizioni veloci in tutta Italia
Reso facile e veloce
Guida acquisti aziende
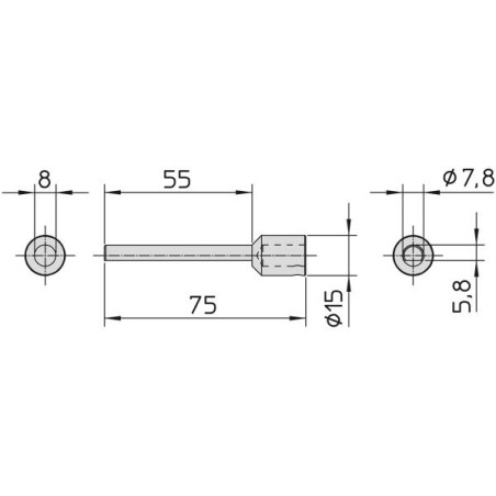
Prolunga per estensione lato pomolo.
La prolunga in acciaio cromato, fornita con grano di fissaggio, si applica in questo modo: il lato col diametro maggiore al codolo cui è normalmente fissato il pomolo del cilindro, e il lato opposto, che può essere sezionato alla lunghezza desiderata, al pomolo smontato, o ad uno scelto fra quelli proposti in tabella.
Tutti i cilindri Viro con pomolo (Serie 700, 900, New Euro-Pro, Viro Palladium) possono essere allungati, dal lato del pomolo, con una semplice operazione, per adattarsi anche a porte di notevole spessore (es. porte blindate/tagliafuoco etc.).